Texas Instruments TPS1663x 60V, 6A Power Limiting eFuses

Texas Instruments TPS1663x 60V, 6A Power Limiting eFuses with a 31mΩ integrated FET feature accurate overcurrent protection, output slew rate control, overvoltage protection, and under-voltage lockout. These eFuses integrate adjustable output power limiting (PLIM) functionality that simplifies and enables compliance with standards such as IEC61010-1 and UL1310. The TPS1663x eFuses are available in a 4mm × 4mm 24-pin VQFN package and are specified over a –40°C to +125°C temperature range. These eFuses are used in telecom radios, industrial printers, motor drives, and factory automation and control.

The TPS1663x eFuses include adjustable overcurrent functionality and Power Good Output (PGOOD). PGOOD can be used to enable and disable control of the downstream DC-DC converters. The devices' offer a shutdown pin utilizing external control to enable and disable the internal FET and place the device in a low current shutdown mode. The TPS1663x eFuses provide fault and a precise current monitor output for system status monitoring and downstream load control. The MODE pin allows flexibility in enabling the device to configure between the two current-limiting fault responses (latch off and auto-retry).

Features

  • 4.5V to 60V operating voltage
  • Integrated 60V, 31mΩ RON hot-swap FET
  • 0.6A to 6A adjustable current limit (±7%)
  • Low quiescent current, 21µA in shutdown
  • Adjustable output power limiting (TPS16632 only)
  • Adjustable UVLO and OVP cut-off with ±2% accuracy
    • Fixed 39V maximum overvoltage clamp (TPS16632 only)
  • Adjustable output slew rate control for inrush current limiting
    • Charges large and unknown capacitive loads through thermal regulation during device power-up
  • Power Good output (PGOOD)
  • Selectable overcurrent fault response options between auto-retry and latch off (MODE)
  • Analog current monitor (IMON) output (±6%)
  • UL 2367 recognized
    • File No. E169910
    • RILIM ≥ 3kΩ
  • IEC 62368-1 certified
  • Functional Safety-Capable
    • Documentation available to aid functional safety system design
  • Available in an easy-to-use 24-pin VQFN package

Applications

  • Factory automation and control – PLC, DCS, HMI, I/O modules, sensor hubs
  • Motor drives – CNC, encoder supply
  • Electronic circuit breakers
  • Telecom radios
  • Industrial printers

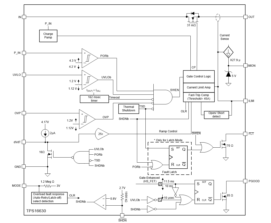
Block Diagram

Block Diagram - Texas Instruments TPS1663x 60V, 6A Power Limiting eFuses

Output Power Limiting Performance

Performance Graph - Texas Instruments TPS1663x 60V, 6A Power Limiting eFuses

Simplified Schematic

Schematic - Texas Instruments TPS1663x 60V, 6A Power Limiting eFuses
Published: 2019-04-24 | Updated: 2024-07-24