Texas Instruments REF1112 Shunt Voltage References

Texas Instruments REF1112 Shunt Voltage References are designed for power and space-sensitive applications. The REF1112 features a 1μA operating current housed in a SOT23-3 package. The device offers an improved, lower power voltage reference for layouts currently using voltage references in larger packages, such as the REF1004 and LT1004.

The TI REF1112 is specified from -40°C to +85°C and operates from -40°C to +125°C. The devices complement other 1μA components from Texas Instruments, including the OPA349 and TLV240x low-power operational amplifiers and the TLV349x micropower voltage comparator.

Features

  • SOT23-3 small package
  • 1.25V fixed reverse breakdown voltage

Applications

  • Battery-powered instruments
  • Building security sensors
  • Medical equipment
  • Field transmitters
  • Calibrators

Specifications

  • Output voltage tolerance of ±0.2% (maximum)
  • Low output noise (0.1Hz to 10Hz) of 25μVpp (typical)
  • Temperature range of -40°C to +125°C
  • Operating current range of 1.2μA to 5mA
  • Low temperature coefficient from 0°C to +70°C, 30ppm/°C (maximum)
  • Low temperature coefficient from -40°C to +85°C, 50ppm/°C (maximum)

Application Schematic

Schematic - Texas Instruments REF1112 Shunt Voltage References

Pinout

Texas Instruments REF1112 Shunt Voltage References

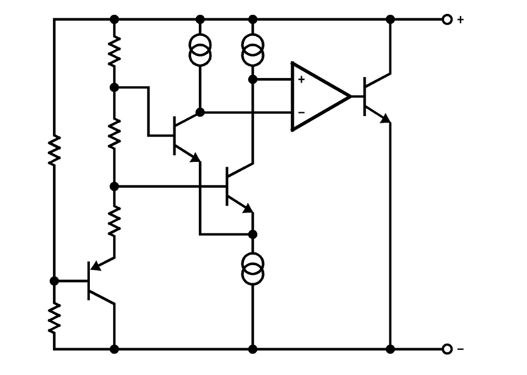
Functional Block Diagram

Block Diagram - Texas Instruments REF1112 Shunt Voltage References
Published: 2025-01-17 | Updated: 2025-01-28