Texas Instruments DS250DF230 Dual-Channel Multi-Rate Retimer

Texas Instruments DS250DF230 Dual-Channel Multi-Rate Retimer is used to extend the reach and robustness of long, lossy, crosstalk-impaired high-speed serial links while achieving a bit error rate (BER) of 10–15 or less. Each channel of the DS250DF230 independently locks to serial data rates in a continuous range from 19.6Gbps to 25.8Gbps. It also supports sub-rates (÷2 and ÷4), including critical data rates such as 12.16512Gbps, 9.8304Gbps, and 6.144Gbps. The Texas Instruments DS250DF230 has a single power supply and minimal need for external components. These features reduce PCB routing complexity and BOM cost.

Features

  • Dual-channel multi-rate retimer with integrated signal conditioning
  • All channels lock independently from 19.6 to 25.8Gbps (including sub-rates, such as 12.16512Gbps, 9.8304Gbps, 6.144Gbps, and more)
  • Ultra-low latency: < 500ps typical for 25.78125Gbps data rate
  • Adaptive Continuous Time Linear Equalizer (CTLE)
  • Continuous adaptive Decision Feedback Equalizer (DFE), capable of compensating large channel loss variation over temperature
  • Combined equalization supporting 35dB channel loss at 12.9GHz
  • On-chip Eye-Opening Monitor (EOM), PRBS pattern checker, and generator
  • Low-jitter transmitter with 3-tap FIR filter
  • Integrated 2x2 crosspoint
  • Recovered clock available for system clock synchronization applications on channel 0
  • Single power supply, no low-jitter reference clock required
  • Wide stay-in-lock temperature range

Applications

  • Jitter cleaning for front-port optical interface in wireless and wired systems
  • Backplane/mid-plane reach extension
  • Active cable assemblies
  • 802.3bj 100GbE, InfiniBand EDR, and OIF-CEI-25G-LR/MR/SR/VSR electrical interfaces
  • SFP28, QSFP28, CFP2/CFP4, CDFP

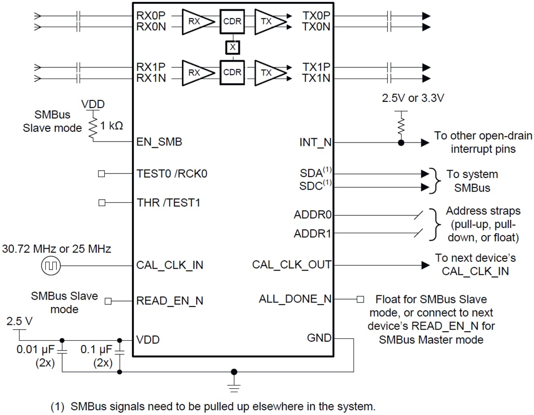
Simplified Schematic

Schematic - Texas Instruments DS250DF230 Dual-Channel Multi-Rate Retimer
Published: 2019-02-27 | Updated: 2023-07-24