STMicroelectronics STEVAL-L6983IV1 Synchronous Iso-Buck Eval Board

STMicroelectronics STEVAL-L6983IV1 Evaluation Board designed to evaluate L6983I, 38V, 10W synchronous iso-buck converter for isolated applications. This eval board features primary output voltage that can be accurately adjusted and isolated secondary output, which is derived by a given transformer ratio. The STEVAL-L6983IV1 eval board generates an isolated unregulated voltage and provides the possibility to use a post-regulation to generate a dual voltage.

Features

  • Designed for iso-buck topology
  • 4V to 38V operating input voltage
  • Primary output voltage regulation
  • No optocoupler required
  • 4.5A source/sink peak primary current capability
  • Peak current mode architecture in forced PWM operation
  • 390ns blanking time
  • 25µA operating quiescent current
  • 200kHz to 1MHz programmable switching frequency.
  • 2µF minimum stable with low ESR capacitor
  • Internal compensation network
  • 2μA shutdown current
  • Internal soft start
  • Enable
  • Overvoltage protection
  • Thermal protection
  • Optional spread spectrum for improved EMC
  • Power good
  • Synchronization to an external clock
  • QFN16 3mm x 3mm package

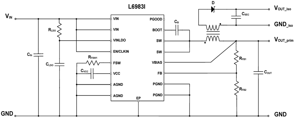
Schematic Diagram

Schematic - STMicroelectronics STEVAL-L6983IV1 Synchronous Iso-Buck Eval Board

Application Circuit Diagram

Application Circuit Diagram - STMicroelectronics STEVAL-L6983IV1 Synchronous Iso-Buck Eval Board
Published: 2023-03-28 | Updated: 2023-10-05