Monolithic Power Systems (MPS) MP86920 Intelli-Phase™ Solution

Monolithic Power Systems (MPS) MP86920 Intelli-Phase™ Solution contains an integrated HS-/LS-FETs and a monolithic half-bridge driver in an LGA-27 package. The device delivers 20A of continuous output current across a wide input supply range. The MP86920 integrated driver and MOSFETS result in high efficiency due to an optimal dead time and reduced parasitic inductance.

The MPS MP86920 Intelli-Phase Solution works with tri-state output controllers and operates between 100kHz and 2MHz. Additionally, the device includes a general-purpose current sense and temperature sense.

The MP86920 is ideal for server and telecom applications where efficiency and small size are a premium. It is available in an LGA-27 (4mm x 5mm) package.

Features

  • Wide 4.5V to 16V operating input range
  • 20A Output current
  • Accepts tri-state PWM signals
  • Built-in switch for bootstrap
  • Current sense
  • Temperature sense
  • Current limit protection
  • Over-Temperature Protection (OTP)
  • Fault reporting
  • Used for multi-phase operation
  • Available in an LGA-27 (4mm x 5mm) package

Applications

  • Server and telecom voltage regulators
  • Graphics card core regulators
  • Power modules

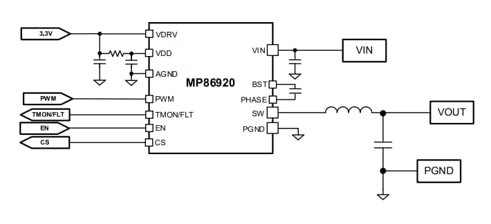
Typical Application

Application Circuit Diagram - Monolithic Power Systems (MPS) MP86920 Intelli-Phase™ Solution
Published: 2022-11-08 | Updated: 2023-01-11