Monolithic Power Systems (MPS) MagAlpha™ MA800 8-Bit Contactless Angle Sensor

Monolithic Power Systems (MPS) MagAlpha™ MA800 8-Bit Contactless Angle Sensor is designed to replace analogic potentiometers or rotary switches. The MA800 Sensor detects the absolute angular position of a permanent magnet attached to a rotating shaft. Since the measurement is spatially confined, the user has flexibility in terms of magnet shapes and configurations. Typically, the MA800 is used with a diametrically magnetized cylinder of 3mm to 8mm in diameter.

The MA800 features programmable magnetic field strength thresholds, which allow the implementation of a push-button function. These are readable via the register bits and also as output signals.

On-chip non-volatile memory provides storage for configuration parameters, including the reference zero angle position and the magnetic field detection thresholds.

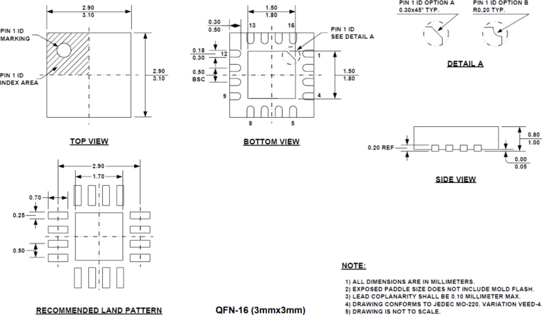
The Monolithic Power Systems (MPS) MagAlpha MA800 Sensor is available in a QFN-16 package. 

Features

  • 8-bit resolution absolute angle encoder
  • Contactless sensing for long life
  • SPI and SSI serial interface for digital angle readout and chip configuration
  • Programmable magnetic field strength detection for push-button press detection
  • 60mT applied magnetic field
  • 3.3V supply voltage
  • 11.7mA supply current
  • -40° to +125°C operating temperature range
  • 3.0mm x 3.0mm QFN-16 package

Applications

  • Rotary knob control interfaces
  • Manual controls
  • Encoders
  • Automotive
  • White goods

Videos

Block Diagram

Block Diagram - Monolithic Power Systems (MPS) MagAlpha™ MA800 8-Bit Contactless Angle Sensor

Typical Application Circuit

Application Circuit Diagram - Monolithic Power Systems (MPS) MagAlpha™ MA800 8-Bit Contactless Angle Sensor

Package Outline

Mechanical Drawing - Monolithic Power Systems (MPS) MagAlpha™ MA800 8-Bit Contactless Angle Sensor
Published: 2021-08-30 | Updated: 2022-04-15