DFRobot 6V Electric Push Rod
DFRobot 6V Electric Push Rod comes with a thrust of up to 128N and a stroke of 10mm to 100mm when powered by 6V. This small but practical 6V electric push rod has an ultra-short stroke. It can be used for applications like access control, DIY lifting projects, electric telescopic poles, etc.Features
- Ultra short stroke
- Large thrust
Specifications
- 6V Rated voltage
- 10mm stroke
- 128N thrust
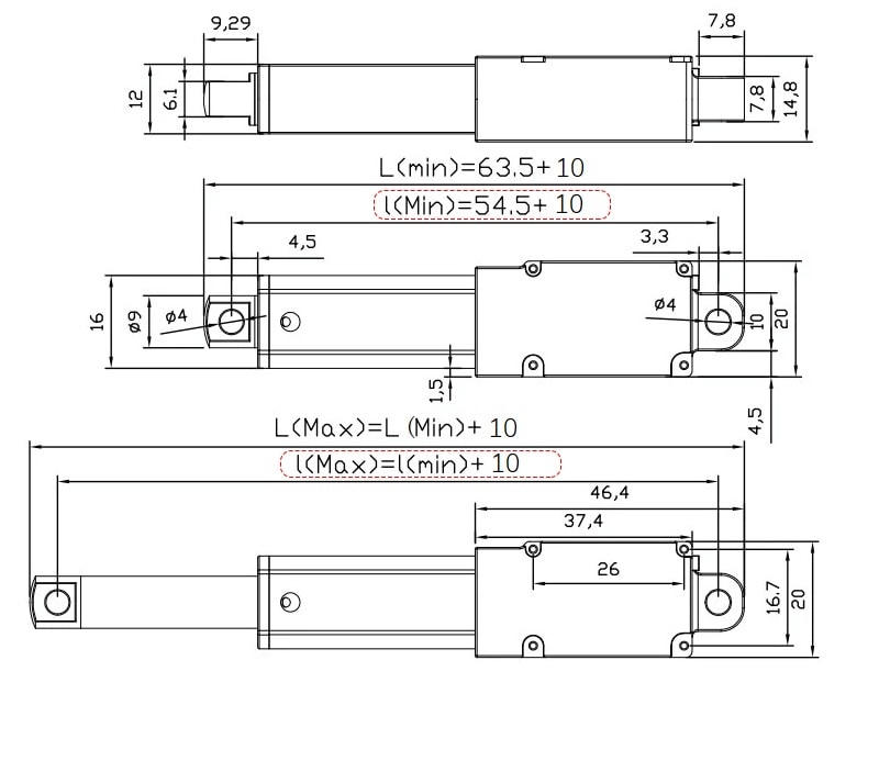
Dimension
Additional Resource
Published: 2021-08-23
| Updated: 2022-12-19
