Broadcom AS22 Series Kit Encoder Solution
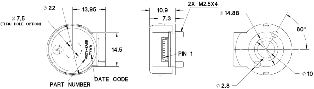
Broadcom AS22 Series Kit Encoder Solution offers a compact size with an overall diameter of 22mm and a height of 10.9mm for space-constrained applications. To meet the growing demand for the high-precision application, the AS22 Series offers a wide range of incremental resolutions, ranging from 360 to 2048 counts per revolution (cpr). The encoder provides A and B channels of incremental digital signal output, as well as a digital index pulse per revolution, enabling the homing positioning operation. The three-channel solution comes with the optional RS422 compatible differential output offering high transmission noise immunity for signal over cable.To cater to a wide selection of industrial applications, this encoder is designed to operate in a robust environment with the operating temperature ranging from –20°C to +100°C. The AS22 Series is designed for ease of use. The kit solution is engineered with a hassle-free installation, eliminating the need for a tedious alignment process.
Features
- Compact size Ø22mm × 10.9mm
- 5V operating voltage
- –20°C to +100°C operating temperature
- Incremental A, B, and Index channels
- TTL and RS422 compatible differential output
- 360cpr to 2048cpr
- Shaft diameter from 2mm up to 1/4"
- Spatial play tolerance of Ø0.15mm
- Allows motor shaft axial play of ±0.25mm
- Hassles-free installation
- Rohs compliance
Applications
- Industrial automation and robotic
- Industrial sewing and textiles machinery
- Stepper/servo motor
- Factory automation
Additional Resources
Package Dimensions
Published: 2018-10-02
| Updated: 2022-07-26
