The Autonomous Car: A Diverse Array of Sensors Drives Navigation, Driving, and Performance
By Bill Schweber for Mouser Electronics
The self-driving, autonomous vehicle has been getting lots of attention, due to significant development efforts and
dramatic progress made by companies such as Google. While general use of autonomous vehicles for widespread use on
public roads is likely years away, these vehicles are already being employed in "constrained" applications such as
open-pit mines and farming.
Figure 1: Google has been doing extensive road tests of autonomous
vehicles, both as a) custom vehicles and b) modified standard cars.
Among the many technologies which make autonomous vehicles possible is a combination of sensors and actuators,
sophisticated algorithms, and powerful processors to execute software. The sensors and actuators in an autonomous
vehicle fall into three broad categories: 1) navigation and guidance (where you are, where you want to be, how to
get there); 2) driving and safety (directing the vehicle, making sure it vehicle acts properly under all
circumstances, and follows the rules of the road); and 3) performance (managing the car's basic internal systems).
There are dozens of subsystems and hundreds of specialized sensor channels for these three categories. Let's look
at a few of these subsystems and the sensors used to build them.
Goal #1: Know Where You are Going
The objective of navigation and guidance are issues which have been with mankind since the earliest known days. It
addresses two related questions: where you are now, and what paths are available to get to where you want to be?
Instruments and techniques such as the compass, sextant, LORAN radiolocation, and dead reckoning are among those
which have been used, with varying degrees of accuracy, consistency, and availability.
For the autonomous vehicle, the navigation and guidance subsystem must always be active and checking how the
vehicle is doing versus the goal. For example, if the originally "optimum" route has any unexpected diversions, the
path must be re-computed in real time to avoid going in a wrong direction. Since the vehicle is obviously
constrained to the roadways, this takes much more computational effort than simply drawing a straight line between A
and B.
The primary subsystem used for navigation and guidance is based on a GPS (Global Positioning System) receiver,
which computes present position based on complex analysis of signals received from at least four of the
constellation of over 60 low-orbit satellites. GPS system can provide location accuracy on the order of one meter
(the actual number depends on many subtle issues), which is a good start for the vehicle. Note that for a driver,
who hopes to hop in the car and get going, a GPS receiver takes between 30 and 60 seconds to establish initial
position, so the autonomous vehicle must delay its departure until this first fix is computed.
GPS subsystems are now available as sophisticated system on a chip (SoC) IC or multi-chip chipsets which require
only power and antenna, and include an embedded, application-specific compute engine to perform the intensive
calculations. Although many of these ICs have an internal RF preamp for the 1.5-GHz GPS signal, many of the vehicles
opt to put the antenna on the roof with a co-located low-noise amplifier (LNA) RF preamplifier, and locate the GPS
circuitry in a more convenient location within the vehicle. The antenna must have right-hand circular polarization
characteristics (RHCP) to match the polarization of the GPS signals, and can be a ceramic-chip unit, a small wound
stub design, or other configuration.
An example of a GPS module is the RXM-GPS-F4-T from Linx Technologies, Figure 2. This 18mm × 13mm × 2.2mm surface-mount unit requires
a single 1.8V supply at 33mA, and can acquire and track up to 48 satellites simultaneously; more channels allow the
GPS to see and capture more data and thus yield better results and fewer dropouts. Its sensitive front-end requires
signal strength of just -159.5dBm for operation. After it computes locations based on the GPS received signals, it
provides the output data to the system processor via serial interface using the industry-standard National Marine
Electronics Association (NMEA) message format.
Figure 2: A complete GPS module, such as this F4 unit from Linx
Technologies, requires only an antenna and CD power to provide position data via a serial interface and in
standard format to a system processor and its mapping application.
While GPS is an essential function for autonomous vehicles, it’s not sufficient by itself. The GPS signal is
blocked by canyons, tunnels, radio interference, and many other factors, and these outages can last for many minutes
and longer. To supplement the GPS, the autonomous vehicle uses inertial guidance which requires no external signal
of any type. The inertial measurement unit
(IMU) consists of a platform fixed to the vehicle, and this platform has three gyroscopes and three accelerometers,
one pair oriented each for of the orthogonal X, Y, and Z axes. These sensors provide data on the rotational and
linear motion of the platform, which then is used to calculate the motion and position of the vehicle regardless of
speed or any sort of signal obstruction. Note that an IMU cannot tell you where you are, only the motion, so the
initial location of the vehicle must be determined by GPS or entered manually.
The in-vehicle IMU would not be practical without the development of MEMS-based gyros and accelerometers. The historical and fully refined IMU is based on
spinning-wheel gyros and a gimbaled platform, which has served many applications quite well (missile guidance/space
missions), but it is simply too large, costly, and power-hungry for an autonomous vehicle.
A representative MEMS device is the A3G4250D IC from ST Microelectronics, a low-power 3-axis angular rate sensor which
provides a high degree of stability at zero-rate level and with high sensitivity over temperature and time, Figure
3. It provides 16-bit digitized sensor information to the user's microprocessor via a standard SPI or I2C digital
interface, depending on version chosen. With its tiny size of just 4 x 4mm2, operation from a 1.8V supply, and
stability and accuracy specifications, it is a well suited for inertial automotive navigation when combined with a
3-axis accelerometer, for a complete, 6-axis IMU.
Figure 3: MEMS devices have radically changed the implementation of
IMU functions such as gyroscopes and accelerometers; this tiny IC from STMicroelectronics incorporates a trio of
orthogonal gyroscopes and provides a digitized, serial output of their angular readings.
Goal #2: See Where You are Going
The autonomous car must be able to see and interpret what's in front when going forward (and behind when in
reverse, of course). It is also necessary to see what is on either side; in other words, it needs a 360⁰ view. An
array of video cameras is the obvious choice, with a camera to determine where the lane is and sense objects or
markers on the road.
But using cameras alone presents problems. First, there are mechanical issues of setting up multiple cameras
correctly and keeping them clean; second, heavy graphic processing is needed to make sense of images; third, there
is a need for depth perception as well as basic imaging; and finally, conditions of lighting, shadows, and other
factors make it very challenging to accurately decide what the camera is seeing.
Instead, the primary "vision" unit on the autonomous vehicle is a LIDAR system, short for Light Detection and
Ranging (or a mash-up of Light and Radar, depending on the source you check). To enable the split-second
decision-making needed for self-driving cars, the LIDAR system provides accurate 3D information on the surrounding
environment. Using this data, the processor implements object identification, motion vector determination, collision
prediction, and avoidance strategies. The LIDAR unit is well-suited to "big picture" imaging, and provides the
needed 360⁰ view by using a rotating, scanning mirror assembly on the top of the car.
LIDAR provides raw information using high-speed, high-power pulses of laser-light that are timed with the response
of a detector to calculate the distance to an object from the reflected light. An array of detectors, or a timed
camera, can be used to increase the resolution of the 3D information. The pulse is very short to enhance depth
resolution, and the resulting light reflections are used to create a 3D point-like "cloud" that is analyzed to
transform the data into volume identification and vector information. The transformed result is then used to
calculate the vehicles' position, speed, and direction relative to these external objects, to determine the
probability of collision, and instruct appropriate action, if needed.
For close-in control, such as when parking, lane-changing, or in bumper-to-bumper traffic, the LIDAR system is not
as effective. Therefore, it is supplemented by radars built into the front and rear bumpers and sides of the
vehicle. Operating frequency for this radar is usually 77GHz, which has been allocated for this use, has good RF
propagation characteristics, and provides sufficient resolution.
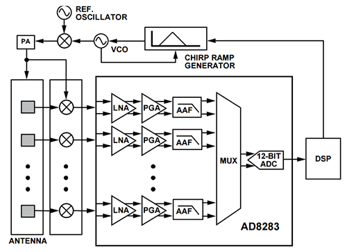
To fit the radar into the flat bumper assembly and its limited space, it is necessary to use highly integrated
design, including using part of the radar subsystem PC board as its antenna. Also required are active components
such as the AD8283 from Analog Devices, which integrates six channels of a low noise preamplifier (LNA), a
programmable gain amplifier (PGA), and an antialiasing filter (AAF) plus one direct-to-ADC channel, with a single
12-bit analog-to-digital converter (ADC), Figure 4A & 4B.
Figure 4a: Radar System overview of the AD8283, a 6-channel radar
receive path AFE.
Figure 4b: A simplified block diagram of a single channel of the
AD8283. Automotive radar systems require a) sophisticated, controllable analog front end circuitry to handle the
reflected pulse signals across multiple receiver channels; b) the AD8283 from Analog Devices is designed
specifically for this situation.
The primary application for the AD8283 is in high-speed ramp, frequency modulated, continuous wave radar (HSR-FMCW
radar). The performance of each functional block is optimized to meet the demands of this radar system with a
careful balance among parameters such as LNA noise, PGA gain range, AAF cutoff characteristics, and ADC sample rate
and resolution. The AD8283 includes a multiplexer in front of the ADC which automatically switches between each
active channel after each ADC sample has been taken. Each channel features a gain range of 16 to 34dB in 6-dB
increments and an ADC with a conversion rate of up to 72MSPS. The combined input-referred noise voltage of the
entire channel at maximum gain is 3.5 nV/√Hz, which is a critical threshold parameter for effective performance.
Goal #3: Get Where You are Going
While components and subsystems used for navigation and guidance or for image-capture and sensing get the most
attention due to their glamour aspects, a large portion of the design of an autonomous vehicle involves mundane
issues such as power management. Several application-specific, unique circuit boards and subsystems are added to a
conventional vehicle to provide the functions needed for autonomous operation. Much of the system-level operation
involves measuring and managing the power requirements to control power, overall consumption, and thermal
dissipation.
Monitoring the current and voltage at the batteries often requires isolated sensing, for safety and functionally,
but isolation is not needed on low-voltage circuit boards. Instead, the most common technique used to determine
current at a source or load is with a high-side, current-sense, milliohm resistor (called a shunt) in conjunction
with a differential amplifier which measures the voltage drop across it. Although the amplifier is used with a
discrete sense resistor, there is now an alternative that saves space, minimizes errors in readings which are
primarily due to thermal drift of the sense resistor as it self-heats, and simplifies the bill of materials (BOM) by
reducing the number of parts. The INA250 from Texas
Instruments puts a sense resistor and differential amplifier in a single package,
resulting in a far-smaller board-layout footprint, fewer circuit-layout problems, and lower system cost due to
simplified schematic, Figure 5.

Figure 5: Simplified schematic of the INA250 from Texas
Instruments. Measuring current and thus power is a vital housekeeping function needed in most circuits; the INA250
current-sense resistor plus differential amplifier components eases design and PC-board layout tradeoffs while
guaranteeing high precision and accuracy along with lower cost.
Summary
The autonomous car has attracted a great deal of interest (and skepticism) as well as considerable R&D investment.
How practical or affordable it will actually be, or when we'll see it as a mainstream vehicle, is unknown and the
subject of much speculation. There has been significant progress, demonstrated by millions of test miles on public
roads to refine its design and operation. We do know that such a vehicle demands a complex integration of
sophisticated algorithms running on powerful processors, making critical decisions based on large streams of
real-time data coming from a diverse and complex array of sensors.
1. Donald MacKenzie, "Inventing Accuracy: A Historical Sociology of Nuclear Missile Guidance," MIT Press, 1990,
ISBN: 9780262132589.
2. Anthony Lawrence, "Modern Inertial Technology," Springer, Second Edition, 1993, ISBN: 0-387-98507-7.
Bill Schweber is an electronics engineer who
has written three textbooks on electronic communications systems, as well as hundreds of technical articles, opinion
columns, and product features. In past roles, he worked as a technical web-site manager for multiple topic-specific
sites for EE Times, as well as both the Executive Editor and Analog Editor at EDN. He has been on both sides of the
technical PR function, presenting company products, stories, and messages to the media and also as the recipient of
these.
He has an MSEE (Univ. of Mass) and BSEE (Columbia Univ.), is a Registered Professional Engineer,
and holds an Advanced Class amateur radio license. Bill has also planned, written, and presented on-line courses on
a variety of engineering topics, including MOSFET basics, ADC selection, and driving LEDs.